欢迎进入:林州市东赵贺现铸造有限公司网站 在线留言   联系我们
 
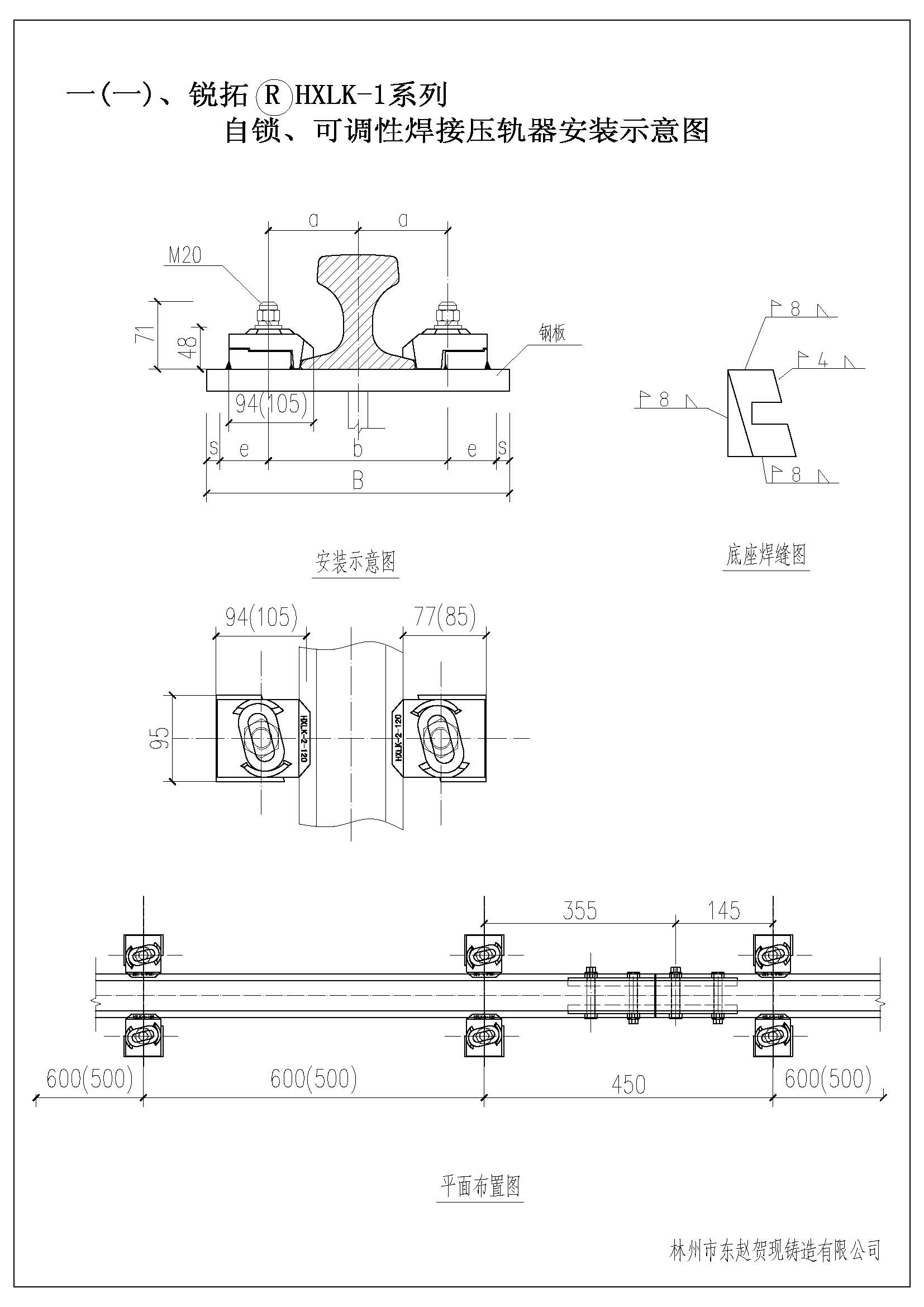
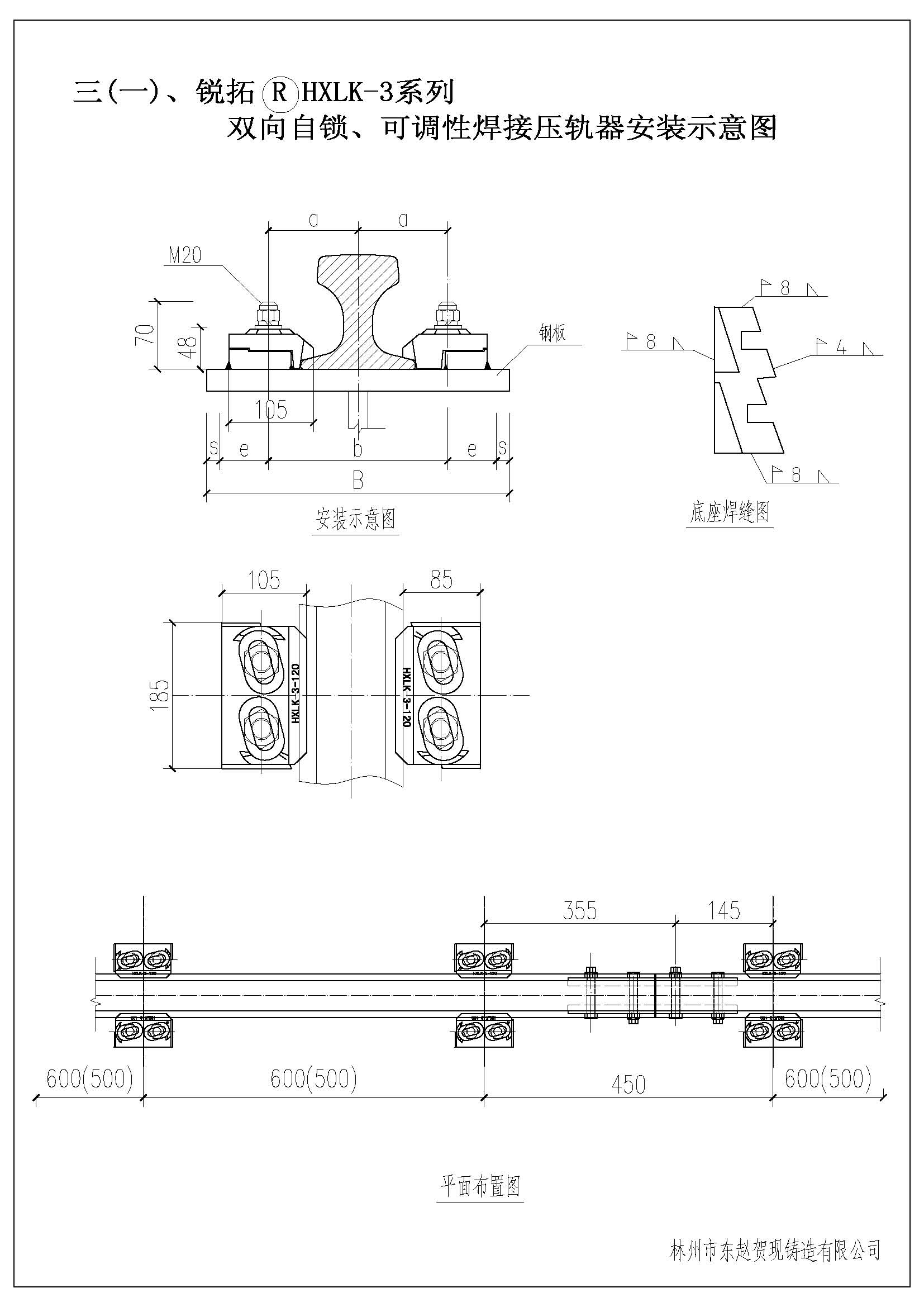
HXLK-1 HXLK-3 HXLK-4
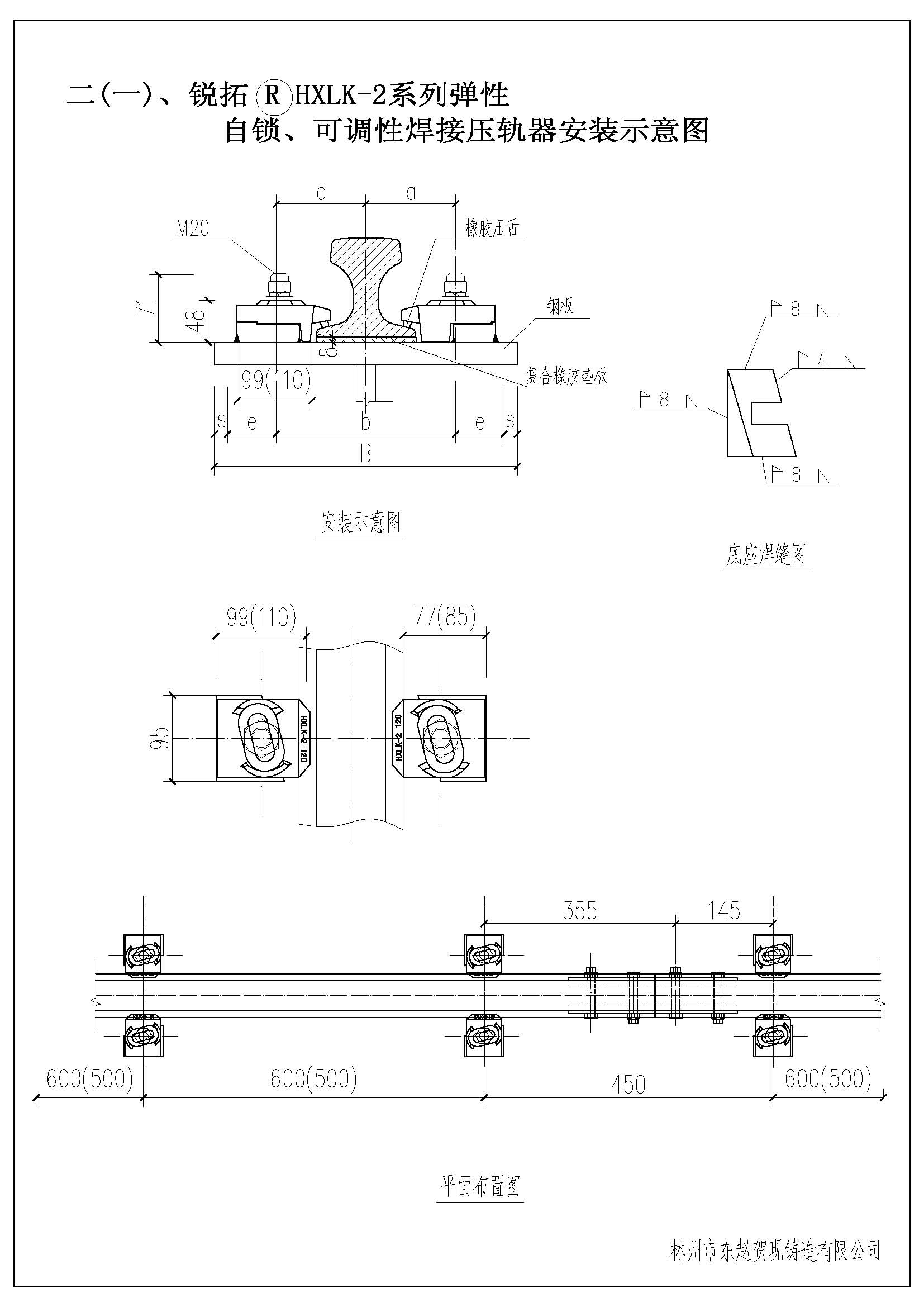
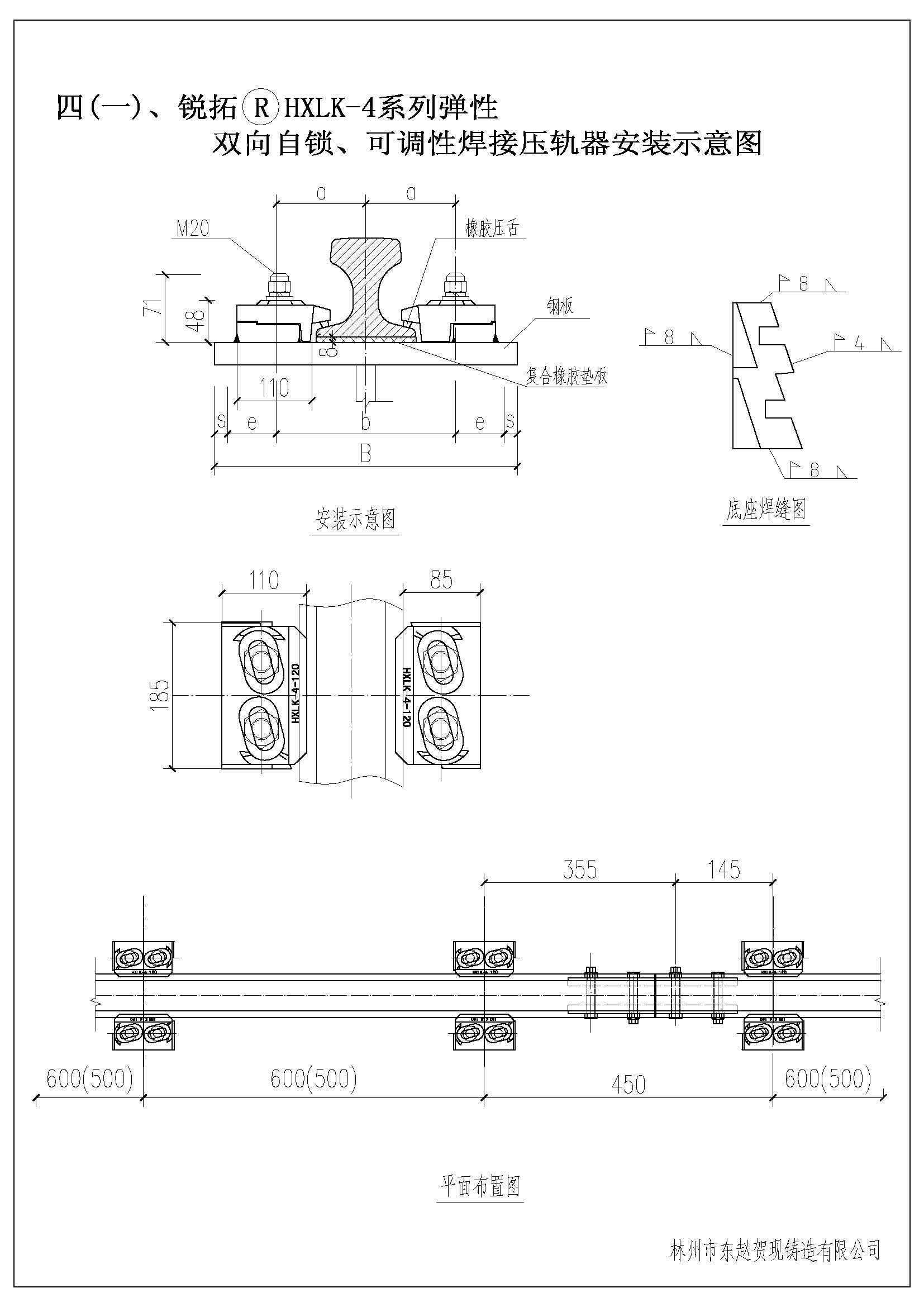
HXLK-2 HXLK-3 HXLK-4
HXLK底座 HXLK-2

[1] [2] [3] [4] [5] [6] [7] [8] [9] 页(共9页)

首页     关于我们     公司产品     生产设备     联系我们                                                                     专注:RTYB系列     HXLK系列     焦化设备

林州市东赵贺现铸造有限公司     版权所有    备案序号: 豫ICP备08103186号    电话:0372—6551357    手机:13937235707    

技术支持:志成网络    地址:河南林州市东赵工业园